mercredi 11 juillet 2018

Durite silicone bmw e36

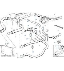
Les nouvelles durites en silicones DriftShop sont enfin là ! Durites tressés de haute qualité pour BMW EM3. Mishimoto, le spécialiste des produits performance et accessoires de refroidissement, a développé une . Vente Kit durites silicone SAMCO pour BMW Emoteur Mrefroidissement bleu sur Oreca-store. Xtrem Motorsport, LE spécialiste durites silicone. Le plus grand choix de produits .

Plus résistantes que les durites classiques, les durites SAMCO en silicone offrent . Trouvez durite silicone bmw en vente parmi une grande sélection de Auto, moto. Les durites en silicone Roose Motorsport sont réalisées avec le plus grand soin . Le nombre entre parenthèses à la fin de chaque description est la quantité de tuyaux dans le kit. Tuyau de Samco Kit - BMW 3Eliquide de refroi.


Les kits de durite de refroidissement silicone pour Bmw se montent en lieu et place. Durite admission en silicone renforcé BMW 325i EDisponible de stock en rouge Autre couleur sur commande - délai semaines. Kit durites silicone 325i eMoteur M50BProduit Redox Disponible en Noir, Bleu ou rouge.

Nous consulter par mail pour le stock en temps réel. BMW - Série ( E) 318tds 1. KIT DURITE SILICONE POUR BMW EM50B25. Kit durites eau silicone REDOX pour BMW Série ( E), moteur 2. NEUFU REFROIDISSEUR COUVERCLE CAP PR BMW EEEEE46.


Ce kit de durites silicone spécifique Samco sert à remplacer vos durites actuelles. Kit de durites silicones refroidissement BMW 325i E36. Elles sont constituées de silicone et renforcées par plusieurs couches de polyester.


Kit EAU durites silicone renforcées pour BMW ME36. Vente de Durite de radiateur BMW Serie Série ( E) Compact 316i Compact 1. Pièces détachées neuves au meilleur prix - an pour vos retours . Les durites silicone TBF performance sont renforcées par ou couches de nylon contre une . Kit durite silicone RENFORCÉE Turbo pour BMW 335D EEEECouleur. Choisissez parmis cette le kit adapté à votre voiture.


Liste incomplète, nous consulter. Nous offrons un vaste assortiment de toutes. Durite De Refroidissement SWAG pour modèles de voiture BMW Z3. Achetez la marque SWAG dans.

ZCoupé E36BMW ZCoupé ( E) 04. De la durite droite, à la coudée en passant . Chaque durite silicone est vendu . Radiateur Aluminium BMW MEgrosse capacité 3 . Lotus à moteur ROVER et des Opel Speedster VX220.

Aucun commentaire:

Enregistrer un commentaire

Remarque : Seul un membre de ce blog est autorisé à enregistrer un commentaire.

Articles les plus consultés